Recherche
Vues éclatées BETA 350 RACE 2026
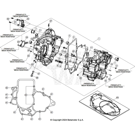
Vues éclatées pièce détachées moteur et chassis par microfiches pour votre BETA 350 RACE 2026
Il y a 31 produits.
Trier par :