Recherche
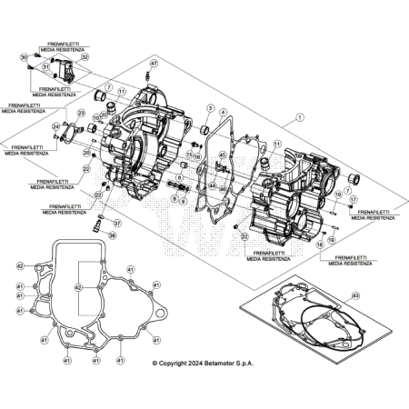
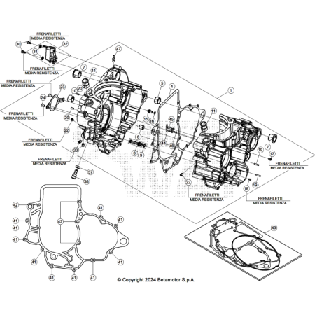
Vues éclatées BETA 390 X PRO 2026
Toutes les vues éclatées pour BETA 390 X PRO 2026
Il y a 31 produits.
Trier par :