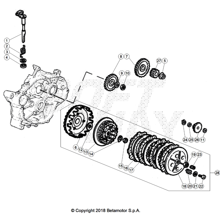
VUE ECLATEE EMBRAYAGE BETA MOTARD 50 RR BLACK SPORT LS 2025

Ref. Nom Prix TTC Quantité
34.00170.000 LEVIER EMBRAYAGE COMPLETE (43.0032.0) 43.79 €
34.00650.000 RESSORT RAPPEL LEVIER EMBRAYAGE 3.78 €
34.01570.000 RONDELLE D.14X26X0,5 (49.0701.0) 2.92 €
34.02320.000 JOINT SPY BA D. 15X24X5 5.19 €
34.01360.000 ECROU M12X1,25 H.11 7.58 €
024.03.000.80.00 CLOCHE COMPLETE EMBRAYAGE 161.25 €
024.03.008.00.00 ENGRENAGE 85.81 €
024.03.009.00.00 ENGRENAGE 87.45 €
34.01450.000 RONDELLE 12,3X22 (49.0644.0) 2.93 €
34.01350.000 ECROU M12X1 H.5 (49.0342.0) 3.73 €
34.01520.000 RONDELLE D.8,4X16 EP. 0,6 (49.1609.6) 2.93 €
046.03.000.00.00 ENTRETOISE 14.46 €
34.00410.000 BARILLET EMBRAYAGE (40.3602.0) 40.97 €
34.01560.000 RONDELLE D.12 ECROU EMBRAYAGE 2.89 €
34.01330.000 ECROU M12X1,25 (49.0337.0) 2.97 €
024.03.001.00.00 DISQUE ACIER 11.88 €
024.03.002.00.00 DISQUE MENANT 14.93 €
34.00370.000 PLATEAU DE PRESSION EMBRAYAGE(35.0138.0 24.95 €
34.01340.000 ECROU M14X1,25 VIS REG. EMBR.-49.0324.0 3.30 €
024.03.003.00.00 RESSORT EMBRAYAGE 4.83 €
024.03.004.00.00 RONDELLE 3.30 €
024.03.005.00.00 VIS 3.44 €
34.01580.000 VIS REGISTRE EMBRAYAGE M14X1,25 4.47 €
34.01160.000 BAGUE SEEGER ARBRE D.8 (03.0301.6) 2.42 €
34.01530.000 RONDELLE D.8,2X15X1 (49.1613.0) 2.56 €
34.00520.000 ENGRANAGE DOUBLE INTERM. (40.048.7) 6.70 €
024.03.007.00.00 PIGNON DE TRANSMISSION PRIMAIR 43.34 €
024.03.006.80.00 EMBRAYAGE COMPLET 219.57 €