Recherche
Vues éclatées BETA 300 RACE 2026
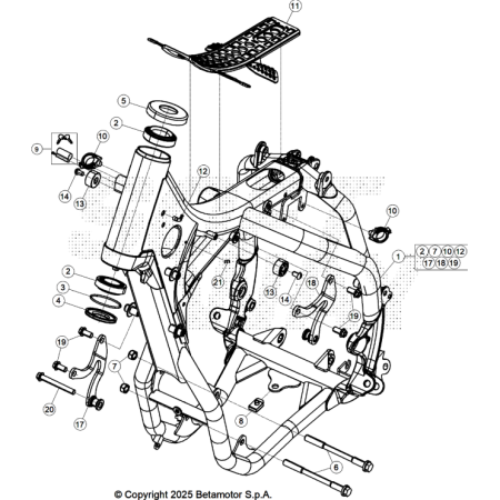
Pièces détachées moteur et chassis par microfiches pour votre BETA 300 RACE 2026
Il y a 30 produits.
Trier par :