🎄 Infos Livraison – Période de Noël ✨
Notre équipe sera en congés du 24 décembre au 5 janvier 2026 inclus.
Pour être sûr de recevoir vos commandes avant Noël, pensez à commander avant le lundi 15 décembre. Les commandes passées après cette date risquent malheureusement d’arriver après le 25 décembre.

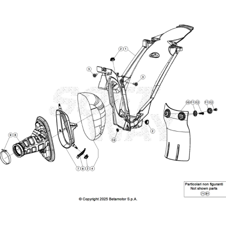
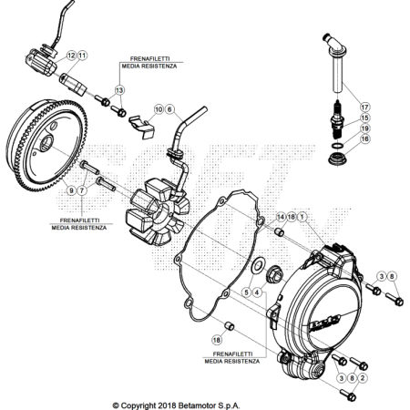
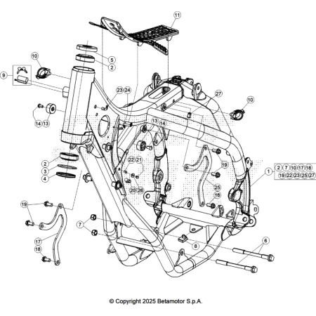
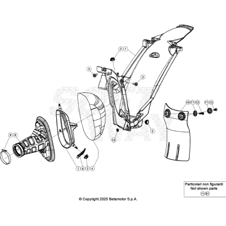
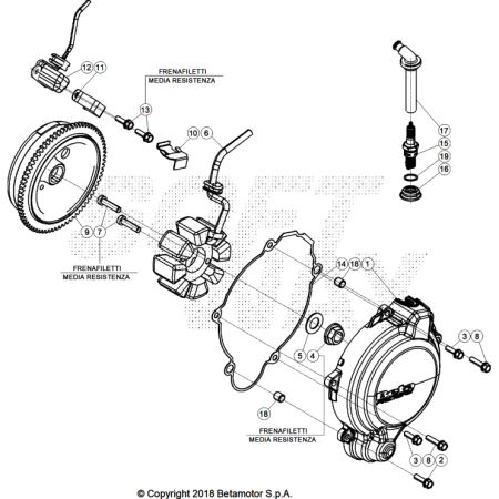
Vues éclatées châssis/moteur BETA 200 X PRO 2026

Retrouvez les vues éclatées châssis/moteur pour BETA 200 X PRO 2026