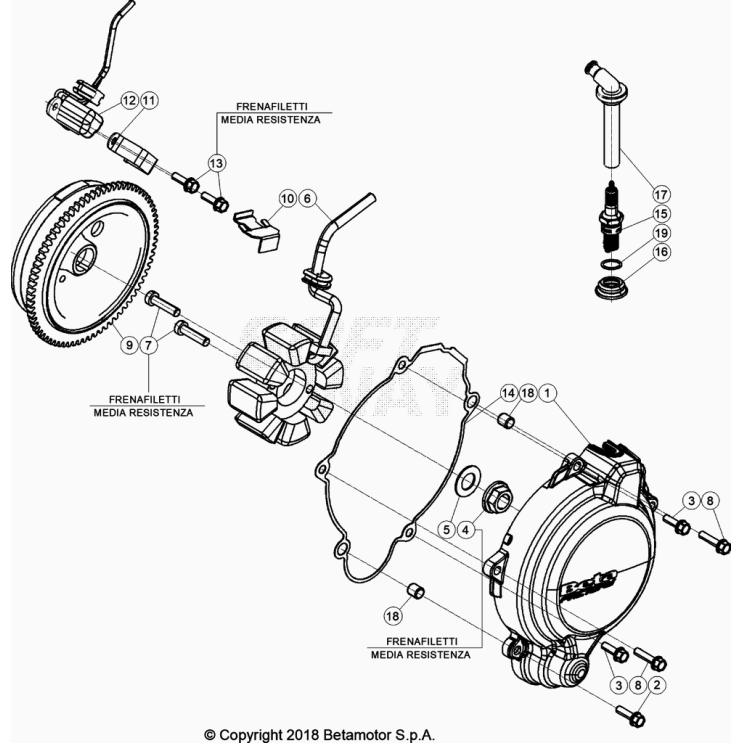
ALLUMAGE BETA 200 RACING 2023

Ref. Nom Prix TTC Quantité
035.01.014.80.59 COUVERCLE VOLANT 57.20 €
11.50010.000 OULON 6.25 RS CH 8 0.51 €
11.49070.000 BOULON 6.20 RS CH 8 1.16 €
13.25010.000 ECROU 2.38 €
27.74810.000 RONDELLE ÉLASTIQUE 0.23 €
026.10.005.82.00 STATOR 155.14 €
31.48507.000 VIS A TETE A SIX PANS 6.25 T.C.C.H. 0.47 €
11.50355.000 BOULON 6.35 RS CLE' 8 0.70 €
035.10.001.85.00 VOLAN 410.29 €
006.01.054.00.00 PLAQUETTE 2.62 €
035.10.004.00.00 PLAQUE RETENUE 12.04 €
026.10.003.00.00 CAPTEUR 71.46 €
11.46360.000 BOULON 5.16 RS CH 8 BRIDE 0.64 €
035.01.015.00.00 JOINT COUVERCLE 4.84 €
12.25123.000 BOUGIE NGK BR8 ECM 9.08 €
026.10.012.00.00 JOINT BOUGIE 2.90 €
27.13514.000 ANTIPARASITE CR-65/2001 16.14 €
16.36500.000 GRAIN RIF. 9.10 1.96 €
C02.06.052.00.00 OR 17,96.2,62 0.12 €